Comtest appoints Melcom as New Exclusive Partner in the UK & Ireland
AFJ Instruments appoint Melcom as the UK Representative
Ametek CTS appoints Melcom as New Exclusive Distribution Partner in the UK & Ireland
MK-Messtechnik appoint Melcom as the UK Representative
Copper Mountain Technologies Launch New 2-Port, 43.5 GHz VNA (S5243)
Wolfspeed RF Power is now MACOM
AR Ametek Appoint Melcom as the UK & Ireland Representative
Hyperlabs Appoint Melcom as the UK & Ireland Representative
Ironwood Electronics Appoint Melcom as the UK & Ireland Representative
EverAxis Appoint Melcom as the UK & Ireland Representative
Copper Mountain Technologies Introduce New S5180 Vector Network Analyser
Copper Mountain Technologies Launch New University Kits
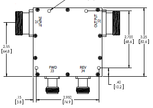
Werlatone Introduce New Watertight Couplers
Metamagnetics Appoint Melcom Electronics as the UK & Ireland Representative
Melcom Introduce MilliBox mmWave Anechoic Chamber and Positioner System
Exxelia Launch New Cubisic SLP (Electrolytic Aluminium Product Line)
Copper Mountain Technologies Announce New Multiport USB VNAs
Southwest Microwave Expand Their Line Of Vertical Launch Connectors
inTEST Thermal Solutions Launch New ECO-560/660 Thermostream
Introducing Sage Millimeter's New Patented Uni-Guide
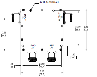
Werlatone Introduce New 500-6000 MHz, 150 W CW, 2 Way 90 Degree Hybrid Coupler
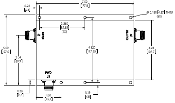
Werlatone Introduce New 1-8 GHz Quad Hybrid Combiner
Southwest Microwave Launch New Narrow Block End Thread-In with 30% Reduction![]() |
Werlatone manufacture Watertight Couplers specific to VHF, UHF, and 800 MHz bands. These Couplers operate in 20-1000 MHz band and some higher frequencies. These watertight Couplers are IP 67 rated.Applicable to support military and commercial applications, as well as In Building DAS (distributive antenna systems). |






If you would like us to call you about the , please enter a few details below: