Comtest appoints Melcom as New Exclusive Partner in the UK & Ireland
AFJ Instruments appoint Melcom as the UK Representative
Ametek CTS appoints Melcom as New Exclusive Distribution Partner in the UK & Ireland
MK-Messtechnik appoint Melcom as the UK Representative
Copper Mountain Technologies Launch New 2-Port, 43.5 GHz VNA (S5243)
Wolfspeed RF Power is now MACOM
AR Ametek Appoint Melcom as the UK & Ireland Representative
Hyperlabs Appoint Melcom as the UK & Ireland Representative
Ironwood Electronics Appoint Melcom as the UK & Ireland Representative
EverAxis Appoint Melcom as the UK & Ireland Representative
Copper Mountain Technologies Introduce New S5180 Vector Network Analyser
Copper Mountain Technologies Launch New University Kits
Werlatone Introduce New Watertight Couplers
Metamagnetics Appoint Melcom Electronics as the UK & Ireland Representative
Melcom Introduce MilliBox mmWave Anechoic Chamber and Positioner System
Exxelia Launch New Cubisic SLP (Electrolytic Aluminium Product Line)
Copper Mountain Technologies Announce New Multiport USB VNAs
Southwest Microwave Expand Their Line Of Vertical Launch Connectors
inTEST Thermal Solutions Launch New ECO-560/660 Thermostream
Introducing Sage Millimeter's New Patented Uni-Guide
Werlatone Introduce New 500-6000 MHz, 150 W CW, 2 Way 90 Degree Hybrid Coupler
Werlatone Introduce New 1-8 GHz Quad Hybrid Combiner
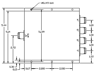
Southwest Microwave Launch New Narrow Block End Thread-In with 30% ReductionD10280W-10 Watertight Combiner (4 Way, 100-400 MHz, 250 CW)
|
Melcom supply state of the art analogue, RF & Microwave components, multi-function modules and sub-systems.
Product name: D10280W-10 Watertight Combiner (4 Way, 100-400 MHz, 250 CW) categories: Watertight Combiners from manufacturer: Misotech
D10280W-10 Suitable for the requirements of the professional electronics market Defence, Space, Test & Measurement, Satcom, Civil Aerospace & Avionics, Broadcast & Commercial Comms, Industrial, Scientific & Medical, Environmental Test.
Part number: D10280W-10 is in stock, contact us for more information or to order.
If you can’t find the product you require please contact us for further information on our extensive range of off-the-shelf and bespoke products or for a quote.
Melcom electronics specialise in Active and Passive Components, Multi-function Modules and Sub-Systems of diverse technologies spanning the frequency spectrum DC to 100 GHz.
If you would like us to call you about the , please enter a few details below: